

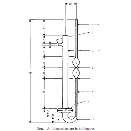
| Size No. | Nominal Viscometer Constant (mm²/s)/s | Kinematic Viscosity Range mm²/s | Inside Diameter of Tube R mm(±2%) | Bulb Volume, ml ±5% | |
| D | C | ||||
| 0 | 0.0017 | 0.6 to 1.7 | 0.40 | 3.7 | 3.7 |
| 1 | 0.0085 | 1.7 to 8.5 | 0.60 | 3.7 | 3.7 |
| 2 | 0.027 | 5.4 to 27 | 0.80 | 3.7 | 3.7 |
| 3 | 0.065 | 13 to 65 | 1.00 | 3.7 | 3.7 |
| 4 | 0.14 | 28 to 140 | 1.20 | 3.7 | 3.7 |
| 5 | 0.35 | 70 to 350 | 1.50 | 3.7 | 3.7 |
| 6 | 1.0 | 200 to 1000 | 2.00 | 3.7 | 3.7 |
| 7 | 2.6 | 520 to 2600 | 2.50 | 3.7 | 3.7 |
| 8 | 5.3 | 1060 to 5300 | 3.00 | 3.7 | 3.7 |
| 9 | 9.9 | 1980 to 9900 | 3.50 | 3.7 | 3.7 |
| 10 | 17 | 3400 to 17000 | 4.00 | 3.7 | 3.7 |